MTBF分析
MTBF分析(Mean Time Between Failure Analysis / MTBF Analysis,平均故障间隔时间分析)
MTBF分析
MTBF分析是分析设备停机维修作业是怎样发生的,把发生的时间、现象、原因、所需工时、停机时间等所有问题都记录下来做成分析表。
MTBF分析之目的
1.对于高频度故障零件的重点对策及零件寿命延长的技术改良依据。
2.零件寿命周期的推定及最适修理计划之研究。
3.有关点检对象、项目的选定与点检基准的设定、改良。
4.内外作业区分的检讨。根据公司内设备整备能力的评价,以设备个别作业种类个别来决定其分担修理品质与设备效率之风险,作为内外作业检讨之重要参考。
5.设定预备品基准。机械、电器零件的各常备项目及基本库存数量,应由MTBF的记录分析来判断,使其库存达最经济的状况。
6.作为选定修理整备方法改善重点之参考。为了提高设备稼动率,必须缩短设备停止的长时间修理作业及工程调整、变换的时间;因此,有必要对保养作业方法作检讨,而其检讨的项目、优先顺序的选定等基本情况,均须来自MTBF的分析记录表。
7.对设备对象设定预估时间标准,及其保养作业的选定与保养时间标准的研究。修理整备预估时间标准的设定及保养作业的选定,必须考虑设备保养重复频度或标准时间值与实际保养时间的差异及产生作业特性等因素,因此MTBF分析表是必要的。
8.图面整理及重新选定重点设备或零件之参考。MTBF的分析记录表所记录的设备零件改良项目、或磨耗劣化等情报,以及设备图面修正或预备制作等之整理,若能时常作分析检讨及重要度顺序管理,则使用图面管理变得容易。
9.运转操作标准的设定、改订及决定设备保养业务的责任分担。
10.提供设备之信赖性、保养性设计的技术资料。保养技术最重要的是以MTBF分析表为基础,收集有关设备之信赖性、保养性设计的技术情报,以便提供设计部门在设计设备时参考。
MTBF分析之应用
1.对于保养部门而言,很难了解保养活动与制品品质间的关联性。例如,以故障修理而言,一般多以机能修复为重点,不会去确认保养作业所达成产品的品质改良情形。如何将产品品质和保养活动相结合,是非常重要的,MTBF的分析表可作为参考性资料。
2.PM分析注重以设备诊断技术为中心的预知保养,但其具体课题结果是很难知道的;由MTBF表中,找出设备诊断技术开发的课题,为一有力的作法。
3.设备教育资料的制作:培育对设备熟悉,能力强的人员是PM的重要课题,然而一般教育多以市售书籍为范本,未充分考虑自己公司、单位的问题状况,且与书籍所述之背景间更存有差异;因此,若能利用MTBF分析,教育有关公司生产设备结构、机能、弱点及注意事项,是较具体的作法。
4.设备生命周期成本(Life Cycle Cost,L.C.C.)的把握及其研究资料:MTBF分析表,是以设备为主体,经长期而作成的一览表;因此,由设备所发生保养作业、费用、预备品及损失的发生状况,来掌握设备生命周期成本资料,是设备生涯管理的重要基础。如上所言,MTBF分析不仅是保养记录的方法之一,其保养记录更可作为保养活动、管理和技术活动指针的原始情报,价值非常大。
MTBF分析表制作注意事项
1.应具一览性,尽可能将相关资料整理在一张表上,不要散乱。
2.将一特定期间的保养数据及相关资料,应以时间为序列来整理,记录,如此会便于了解。
3.可同时进行保养的记录和分析。
4.多下点心思,在一张表内整理多种情报;不仅将设备故障或保养情报记录下,还可将品质、安全、成本等情报整理成与制造、设计、技术相关的参考资料。
5.经由MTBF分析表中即可了解管理的重点。
6.由MTBF分析表可判断故障和保养的关系。
7.了解对策及对策实施后的效果。
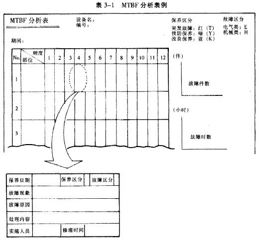
8.资料记入应使任何人都可容易执行。例如在一年设备稼动期间曾发生4次故障,则平均故障间隔时间为3个月。以下图为例,可以推估每3个月将会发生一次故障,另外,亦可依照这些故障点的分布状况,推断下次可能发生故障的设备部位及零件。

MTBF分析表制作五个步骤
步骤1:决定要分析的设备对象——通常先选择重点设备来记录,亦有以类似设备群或针对设备某重点部位来记录的。
步骤2:故障资料的收集——以过去3~5年或至少30件以上的设备故障资料来分析。
步骤3:故障MAP的绘制——将设备整体图形绘出,利用步骤2的资料,标示出故障部位。
步骤4:编制MTBF分析表(如表3-1)。


步骤5:故障解析及对策的检讨
